Как подобрать
Правильный подбор led-driver для питания светодиода должен учитывать следующие параметры:
- Значение напряжения на входе.
- Величину выходного напряжения.
- Ток на выходе.
- Выходную мощность.
- Влаго- и пылезащиту.
Основной принцип правильного выбора драйвера для светодиода – начинать расчет его характеристик только после того, как будет точно известно количество источников света и их основных параметров (прежде всего мощности) в планируемой схеме. Кроме того, необходимо заранее знать условия эксплуатации электрооборудования – в помещении или на улице, каковы параметры колебания температуры и влажности, а также действие атмосферных осадков.
Далее нужно правильно рассчитать выходные параметры для led-driver. Прежде всего это напряжение. Подсчитывается следующим образом – необходимо суммировать значение всех лед-элементов в цепочке. Например, если в схеме 5 диодов по 3 вольта, в сумме получится 5х3=15 вольт. При этом нужно учесть, что соединение светильников будет последовательное. Во входных характеристиках есть еще одна величина – сила тока. Она будет одинакова для всех ламп.
Например, если ее значение 500 мА для каждого диода, то led-driver должен обладать выходным параметрами – 15 В и 0,5 А. Что касается силы тока, то она должна быть либо равна расчетной, либо ниже. Если будет выше, то лампы быстро (если не сразу после включения) сгорят. Также потребуется рассчитать и мощность. Для этого нужно перемножить выходное напряжение на силу тока – 15х0,5=7,5 Вт. Причем лучше будет, если мощность драйвера будет немного выше на 20% расчетного значения.
Получается, требуется led-driver на 9 Вт, 15 В и 0,5 А. Место размещения драйвера имеет большое влияние на его внешний вид. Устройство может быть с защитным корпусом и без. Последний ставят внутрь ламп с надежной оболочкой. Если же требуется хорошая влаго- и пылестойкость, то лучше приобретать модели первого типа.
При сборке схемы с лэд-драйвером своими руками для подсветки необходимо покупать только однотипные светодиоды из одной партии. В противном случае они могут иметь существенный разброс характеристик, что приведет к неравномерному их свечению и быстрому выходу из строя элементов, работающих на пределе.
Схема драйвера светодиодной лампы 220 в
Светодиодная лампа общего назначения состоит из корпуса, системы охлаждения и электронной части.
К корпусу относится:
- цоколь;
- пластиковая колба;
- рассеиватель света.
Электрическая часть, расположенная в цоколе, тоже различная, количество компонентов зависит от цены:
- при стоимости лампы 2-3$ микросхема без трансформатора (только выпрямители и конденсаторы), напряжение снижается, выпрямляется и сглаживается, ток ограничивает SMD-резистор, установленный на плате с диодами;
- у фирменных лампочек у драйвера может быть одна из двух микросхем:
- с импульсным трансформатором и стабилизатором;
- с ЧИМ (частотно-импульсным модулятором) или ШИМ.
Это более сложные и дорогие конструкции, обеспечивающие функцию диммирования.
Технические характеристики
Необходимость покупки драйвера возникает, если был найден интересный светильник без преобразователя тока. Другой вариант — создание источника света с нуля путем приобретения каждого элемента отдельно.
Перед покупкой преобразователя тока изучите три главные характеристики:
- выходной ампераж;
- рабочая мощность;
- выходной вольтаж.
Мощность изделия должна быть выше суммарного значения всех светодиодов. Для расчета используется формула P = P (led) × X, где
- P (led) — мощность диода;
- X — число диодов.
Для гарантии продолжительной эксплуатации драйвера нужно ориентироваться на запас мощности — покупайте преобразователи номинальной мощностью на 20 – 30 % выше требуемого значения. Не забывайте о цветовом факторе, непосредственно связанном с падением напряжения. Последняя величина изменяется в зависимости от разных цветов.
Ремонт светодиодной лампы серии «LLB» LR-EW5N-3
Лампа похожа на «LLB» LR-EW5N-5, но ее конструкция изменена.
Защитное стекло крепится с помощью кольца. Если подцепить место стыка кольца и стекла, оно легко снимется.
Печатная плата выполнена из алюминия. На ней расположены девяти кристальные LED светодиоды количеством 3 штуки. Плата крепится 3 винтами к радиатору. Проверка не выявила проблем с светодиодами. Значит дело в драйвере. Опыт ремонта похожей лампы показал, что лучше сразу отпаять провода, которые идут от драйвера. Разборка лампы производилась со стороны цоколя.
Кольцо, соединяющее цоколь и радиатор, снялось с большим усилием. При этом кусочек откололся. А все из-за того, что оно было прикручено 3 саморезами. Драйвер был извлечен.
Саморезы располагаются под драйвером, добраться до них можно крестообразной отверткой.
Этот драйвер выполнен на основе трансформаторной схеме. Проверка показала исправность всех частей, кроме микросхемы. Данных о ней я не нашел. Лампа было отложена в качестве донора.
Принцип работы
Как уже было сказано, драйвер – это источник тока. Его отличия от источника напряжения проиллюстрированы ниже.
Источник напряжения создает на своем выходе некоторое напряжение, в идеале не зависящее от нагрузки.
Например, если подключить к источнику напряжением 12 В резистор 40 Ом, через него пойдет ток 300 мА.
Если подключить параллельно два резистора, суммарный ток составит уже 600 мА при том же напряжении.

Драйвер же поддерживает на своем выходе заданный ток. Напряжение при этом может изменяться.
Подключим так же резистор 40 Ом к драйверу 300 мА.

Драйвер создаст на резисторе падение напряжения 12 В.
Если подключить параллельно два резистора, ток по-прежнему будет 300 мА, а напряжение упадет до 6 В:

Таким образом, идеальный драйвер способен обеспечить нагрузке номинальный ток вне зависимости от падения напряжения. То есть светодиод с падением напряжения 2 В и током 300 мА будет гореть так же ярко, как и светодиод напряжением 3 В и током 300 мА.
Какой нужен блок для светодиодной ленты?
С главными параметрами блоков питания для светодиодных лент мы уже разобрались выше, это напряжение питания и мощность. Осталось рассмотреть другие особенности и характеристики, которые учитываются при их выборе.
Кроме напряжения и мощности блоки питания для светодиодных лент отличаются еще типом исполнения (корпусом), степенью защиты от внешнего воздействия и функциональностью. Каждый из этих параметров дает некоторые преимущества или ограничения для применения в различных условиях.
Три основных типа исполнения блоков питания для LED лент:
1. В пластиковом корпусе. 2. В металлическом корпусе с перфорацией. 3. Герметичные в алюминиевом корпусе.
Блок питания для светодиодных лент в пластиковом корпусе может быть похож на блок питания от ноутбука или блок питания от различных устройств, например, зарядное устройство для аккумуляторов, для мощного роутера и прочие. Пластиковый корпус имеют как правило блоки питания небольшой мощности, которые можно использовать только внутри помещений. Охлаждение у них пассивное через корпус, так что сильных перегрузок выдержать они не могут.
Блок питания для LED ленты в металлическом корпусе с перфорацией обычно имеет мощность больше среднего и соответствующие габариты. Охлаждение радиодеталей в них осуществляется за счет циркулирующего в корпусе воздуха, а в мощных моделях может устанавливаться вентилятор для принудительного обдува, что может сопровождаться большим шумом. Плюсом таких блоков питания является наличие большого количества выводов, в основном это касается достаточно мощных моделей, и регулятора уровня напряжения, т.е. при необходимости их можно немного настроить. Устанавливают их в основном в щитки, где они будут защищены от пыли.
Герметичные блоки питания для светодиодных лент в алюминиевом корпусе имеют хорошую защиту от пыли и влаги. Охлаждение их происходит пассивно через корпус, для подключения к сети 220В и к светодиодной ленте имеются выведенные отрезки проводов. Устанавливать их можно как в помещении, так и на улице.

Степень защиты IP светодиодных блоков питания
Класс защиты блока питания влияет на условия, в которых может он использоваться. Самые распространенные блоки питания для светодиодных лент в пластиковом корпусе или в металлическом корпусе с перфорацией имеют класс защиты IP20 или IP40. Это значит, что они могут использоваться в сухих помещениях с умеренным количеством пыли, перфорированные лучше вообще прятать в распределительных щитах, иначе со временем они полностью забьются пылью.
Блоки питания для светодиодных лент в алюминиевых герметичных корпусах имеют класс защиты не ниже IP65, и их уже можно использовать в ванных комнатах и на улицах под навесом. Для использования на открытом воздухе требуется уже более серьезная защита, и корпус должен иметь степень защиты IP67. Есть и еще более защищенные блоки питания с IP68 и даже IP69. Они уже выдерживают прямое попадание струй воды и даже полное погружение в воду до 1 м.
Разновидности блоков питания для LED лент по функциональности
1. Самые обычные, выполняющие только функцию питания светодиодной ленты. 2. Блоки питания со встроенным диммером для регулировки яркости. 3. Блоки питания для светодиодных лент с пультом дистанционного управления. 4. Самые дорогие комбинированные блоки питания с пультом управления и диммером.
Функциональность блока питания позволяет сэкономить место и повысить удобство использования, чтобы не городить в одном месте много разных устройств. В самом дорогом варианте получается вместо трех устройств можно установить только один блок питания для светодиодной ленты, в котором все уже включено. При этом самые простые блоки питания без наворотов могут похвастаться своими небольшими размерами.
Стоит ли переплачивать?
Блоки питания поставляются во всех ценовых диапазонах. Каталог на Amazon начинается с моделей от 15$ для стандартного блока 400 Вт, и доходит до полномодульных киловаттных PSU за 180-240$ от EVGA или Seasonic, и не заканчивается даже на этом. Что же вы получите за свои деньги? Что действительно стоит больше 200 долларов?
Очевидно, что чем мощнее, тем лучше, но вопрос ещё в том, как эта мощность реализована. Самые дешёвые 300 Вт модели выдают до 25 А на линиях +12В, в то время как киловаттная модель обеспечит втрое больше энергии. Современные процессоры и видеокарты практически все свои потребности удовлетворяют линиями +12 В. Уверены, что вам хватит 25 А?
Официальное фото блока питания Seasonic.
Учитывая, что актуальные аппетиты растут вместе с актуальным железом, то ваш новенький компьютер с 32-ядерным процессором в паре с 300-ваттной топовой видеокартой дешёвый блок питания явно не «затащит». С другой стороны, самые дорогие PSU легко справятся и будут иметь ещё приличный запас мощности. Ну а поскольку совокупная цена такого процессора и видеокарты может легко превысить 3500$, то стоит ли экономить ещё парой-другой сотен баксов сверху на обеспечение нормального питания для такого монстра.
Но на самом деле вы платите за качество компонентов в блоке питания. Взгляните на внутренности нашего Cooler Master в начале статьи. Вы не увидите там безумного количества всяких «шабашек», а поскольку каждый из тех немногочисленных элементов – критически важный компонент в работе устройства, нетрудно понять, почему не стоит гоняться за дешевизной.
Цены на ремонт импульсных БП
Цены на ремонт импульсных блоков питания очень отличаются. Дело в том, что существует очень много электрических схем импульсных блоков питания. Особенно много отличий в схемах с PFC (Power Factor Correction, коэффициент коррекции мощности). ЗАС повышает КПД.
Но самое важное – есть ли схема на сгоревший блок питания. Если такая электрическая схема есть в доступе, то ремонт блока питания существенно упрощается
Цена ремонта колеблется от 1000 рублей для простых блоков питания. Но достигает 10000 рублей для сложных дорогих БП. Цена определяется сложностью блока питания. А также сколько элементов в нем сгорело. Если все новые БП одинаковые, то все неисправности разные.
Например, в одном сложном блоке питания сгорело 10 элементов и 3 дорожки. Тем не менее его удалось восстановить, причем цена ремонта составила 8000 рублей. Кстати, сам прибор стоит порядка 1 000 000 рублей. Таких блоков питания в России не продают.
Устройство китайских зарядных устройств для ноутбуков описано здесь.
Схема драйвера светодиодной лампы 220 в
Светодиодная лампа общего назначения состоит из корпуса, системы охлаждения и электронной части.
К корпусу относится:
- цоколь;
- пластиковая колба;
- рассеиватель света.
Электрическая часть, расположенная в цоколе, тоже различная, количество компонентов зависит от цены:
- при стоимости лампы 2-3$ микросхема без трансформатора (только выпрямители и конденсаторы), напряжение снижается, выпрямляется и сглаживается, ток ограничивает SMD-резистор, установленный на плате с диодами;
- у фирменных лампочек у драйвера может быть одна из двух микросхем:
- с импульсным трансформатором и стабилизатором;
- с ЧИМ (частотно-импульсным модулятором) или ШИМ.
Как сделать импульсный блок питания своими руками
Смотрите это видео на YouTube
Инверторы, особенно мощные, имеют сложную схемотехнику и доступны для повторения только опытным радиолюбителям. Для самостоятельной сборки сетевых источников питания можно рекомендовать несложные маломощные схемы с использованием специализированных микросхем ШИМ-контроллеров. Такие ИМС имеют малое количество элементов обвязки и имеют отработанные типовые схемы включения, которые практически не требуют регулировки и настройки.
При работе с самодельными конструкциями или ремонте промышленных устройств необходимо помнить, что часть схемы всегда будет находиться под потенциалом сети, поэтому требуется соблюдать меры безопасности.
Преобразователи напряжения с 12 на 220 вольт
Как подобрать блок питания для светодиодной ленты по техническим характеристикам, расчёт мощности
Что такое диодный мост, принцип его работы и схема подключения
Что такое ШИМ — широтно-импульсная модуляция
Что такое оптрон, как работает, основные характеристики и где применяется
Что такое частотный преобразователь, основные виды и какой принцип работы
Как крепить потолочный плинтус, если обои поклеены
Преимущества
- Можно сделать в любое время и даже при существующем ремонте
- Не нужно пачкаться и разводить смесь
- Можно поменять плинтус в любое время, если надоел
- Обеспыливаем заготовку и участок стены/потолка перед нанесением клея.
- Начинаем клеить от угла и с той стены, что находится напротив двери.
- Наносим клей по центру галтели по всей длине, прижимаем 1 минуту, убираем излишки клея.
- Хорошо прижимает в углах и стыках.
- Щели промазываем акриловым герметиком, излишки убираем пальцем.
- Главная цель — создать максимально ровный шов. Если на глаз ровный шов не получается, необходимо приклеить малярную ленту и создавать шов по ней.
Главная цель — создать максимально ровный шов. Если на глаз ровный шов не получается, необходимо приклеить малярную ленту и создавать шов по ней.
Как изготовить драйвер для светодиодов своими руками
Для работы требуется:
- маломощный
паяльник (25-40 Вт); - флюс
(желательно нейтральный); - оловянно-свинцовый
припой; - кусачки
и пласкогубцы; - многожильные
медные провода в изоляции с сечением 0,35-1 м2; - изолента
(термоусадочная трубка); - мультиметр;
- печатная
плата.
Перечень компонентов зависит от того,
какой блок питания необходимо сделать.
Пример
расчета
Самая простая схема для подключения
светодиодов к источникам с низким напряжением. Прежде всего, рассчитывается
мощность блока, базируясь на параметры источников света. Вольтаж должен быть на
20-30% выше показателя подключаемой лампочки или ленты. На выходе напряжение
зависит от падения вольтажа на светодиоде.
Если нужно подключить 6 светодиодов, падение напряжения в которых 2 В (на каждом), требуется блок на 12 В и 300 мА при последовательном размещении. Чтобы подключить те же элементов в 2 параллельные линии, необходимы другие показатели – напряжение 6 В, ток 600 мА. Для таких диодов подойдет простой драйвер, состоящий из диодного моста, 2-х конденсаторов и резистора.
Диодный мост состоит из 4-х
разнонаправленные диодов, задача которых – превратить синусоидальный переменный
электроток в пульсирующий. К плюсу моста (со стороны входа) присоединяется пленочный
конденсатор, к минусу – сопротивление, параллельно –электролитический конденсатор
(для сглаживания перепадов напряжения). Значение электротока зависит от метода подключения
(если диодов несколько, их можно соединить последовательно или параллельно).
Для мощного
светодиода (например, 3Вт) подойдет стабилизатор-драйвер,
созданный на основе микросхемы LM317
и резистора. У стабилизатора LM317 постоянный вольтаж 1,25. Если лампа новая,
ей требуется ток 700 мА (максимальное значение). Чтобы рассчитать сопротивление
резистора, нужно напряжение разделить на ток:
1,25/0,7 = 1,78 Ом.
Такого резистора нет, поэтому нужно
купить элемент на 1,8 Ом.
Так как микросхема LM317 предназначена
для тока до 1,5 А, потребуется радиатор.
Драйвер для трех led по 1 Втможно
сделать из зарядного устройства мобильного телефона, если немного
усовершенствовать микросхему. Нужно снять корпус и выпаять имеющийся резистор и
припаять другой (на 5 кОм). Светодиоды соединить последовательно и подключить к
выходному каналу. Входные каналы заменить шнуром для присоединения к сети.
Для светодиодного источника с мощностью 10 Вт можно собрать блок питания на электронной плате люминесцентной лампы на 20 Вт. Купить нужно дроссели, диоды, конденсаторы и транзисторы.
Важные нюансы сборки
Падение напряжения на светодиодах 3-30 В.
Это очень мало, если сравнивать с вольтажом сети. Готовые микросхемы отличаются
только показателями входного напряжения. При выборе необходимо учесть, что
падения напряжения на источниках света должно составлять 10-20% от вольтажа драйвера.
Поэтому не стоит делать на основе микросхемы блок для подключения к сети, если
имеется 1 или 2 диода на 3-6 В.
Все элементы на плате размещаются так, чтобы между ними было минимальное расстояние и количество перемычек. Полярность и распиновку лучше проверить в технической документации. Если элементы не новые, обязательна проверка мультиметром. Паяльник лучше выбрать небольшой, способный нагреваться до 260оС.
Конденсаторы, резисторы, диоды,
микросхемы паять достаточно сложно, если их нельзя предварительно закрепить на
плате. Чтобы повысить качество пайки, желательно залудить места, куда будут
ставиться компоненты. Для этого капается немного флюса, на паяльник берется
припой и наносится на то же место.
Каждый элемент нужно брать пинцетом за
ножку, которую нужно припаять, и приставить к месту пайки. Потом на ножку
наносится капля флюса, берется паяльник и подносится к припаиваемой ножке.
Прикоснуться достаточно примерно на секунду, так как припой и флюс уже есть.
Ножка сразу погружается в припой, нанесенный в процессе лужения.
Если элементы можно закрепить на плате,
припой должен быть с флюсом. В одну руку нужно взять паяльник, в другую –
проволоку. Место пайки греется 3-4 секунды, потом к нему подносится припой. При
соприкосновении элемента, паяльника и проволоки последняя плавится, флюс
вытекает, через секунду паяльник можно убрать.
Одновременно с паяльником желательно купить специальный отсос и очки. Если случится, что элемент припаялся не туда или на месте пайки образовался огромный бугор, нужно разогреть припой, взять отсос и нажать на кнопку. Все лишнее с платы моментально исчезнет. При работе с проводами и ножками элементов они могут отпружинить. Чтобы горячий припой не попал в глаза, работать желательно в очках.
Критерии выбора
Сразу хочется отметить, что резистор – это не альтернатива драйверу для светодиода. Он никогда не защитит от импульсных помех и перепадов в питающей сети. Любое изменение входного напряжения пройдёт через резистор и приведет к скачкообразному изменению тока из-за нелинейности ВАХ светодиода. Драйвер, собранный на базе линейного стабилизатора – тоже не лучший вариант. Низкая эффективность сильно ограничивает его возможности.
Выбирать LED-драйвер нужно только после того, как будет точно известно количество и мощность подключаемых светодиодов.
Касаемо технических параметров, то на корпусе LED-драйвера обязательно должно быть указано:
- мощность;
- рабочий диапазон входного напряжения;
- рабочий диапазон выходного напряжения;
- номинальный стабилизированный ток;
- степень защиты от влаги и пыли.
Очень привлекательны бескорпусные драйверы с питанием от 12 В и 220 В. Среди них существуют разные модификации, в которых можно подключать как один, так и несколько мощных светодиодов. Такие устройства удобны для проведения лабораторных исследований и экспериментов. Для домашнего использования всё равно придётся поместить изделие в корпус. В итоге денежная экономия на плате драйвера открытого типа достигается в ущерб надежности и эстетики.
Кроме подбора драйвера для светодиода по электрическим параметрам, потенциальный покупатель должен четко представлять условия его будущей эксплуатации (место размещения, температура, влажность). Ведь оттого, где и как будет установлен драйвер, зависит надёжность всей системы.
AL9910
Diodes Incorporated создала одну весьма интересную микросхему драйвера светодиодов: AL9910. Любопытна она тем, что ее рабочий диапазон напряжений позволяет подключать ее прямо к сети 220В (через простой диодный выпрямитель).
Вот ее основные характеристики:
- входное напряжение — до 500В (до 277В для переменки);
- встроенный стабилизатор напряжения для питания микросхемы, не требующий гасящего резистора;
- возможность регулировки яркости путем изменения потенциала на управляющей ноге от 0.045 до 0.25В;
- встроенная защита от перегрева (срабатывает при 150°С);
- рабочая частота (25-300 кГц) задается внешним резистором;
- для работы необходим внешний полевой транзистор;
- выпускается в восьминогих корпусах SO-8 и SO-8EP.
Драйвер, собранный на микросхеме AL9910 не имеет гальванической развязки с сетью, поэтому должен использоваться только там, где невозможно прямое прикосновение к элементам схемы.
Микросхема выпускается в двух модификациях: AL9910 и AL9910a. Отличаются минимальным напряжением запуска (15 и 20В соответственно) и выходным напряжением внутреннего стабилизатора ((7.5 или 10В соответственно). Еще у AL9910a немного выше потребление в спящем режиме.
Стоимость микросхем — около 60 руб/шт.
Типовая схема включения (без диммирования) выглядит так:![]()
Здесь светодиоды всегда горят на полную мощность, которая задается значением резистора Rsense:
Rsense = 0.25 / (ILED + 0.15⋅ILED)
Для регулировки яркости 7-ую ногу отрывают от Vdd и вешают на потенциометр, выдающий от 45 до 250 мВ. Также яркость можно регулировать, подавая ШИМ-сигнал на вывод PWM_D. Если этот вывод посадить на землю, микросхема отключается, выходной транзистор полностью закрывается, потребляемый схемой ток падает до ~0.5мА.
Частота генерации должна лежать в диапазоне от 25 до 300 кГц и, как уже было сказано ранее, она определяется резистором Rosc. Зависимость можно выразить следующим уравнением:
fosc = 25 / (Rosc + 22), где Rosc — сопротивление в килоомах (обычно от 75 до 1000 кОм).
Резистор включается между 8-ой ногой микросхемы и «землей» (или выводом GATE).
Индуктивность дросселя рассчитывается по страшной на первый взгляд формуле:
L ≥ (VIN — VLEDs)⋅VLEDs / (0.3⋅VIN⋅fosc⋅ILED)
Пример расчета
Для примера давайте рассчитаем параметры элементов обвязки микросхемы для двух последовательно включенных светодиода Cree XML-T6 и минимального напряжения питания (15 вольт).
Итак, допустим, мы хотим, чтобы микросхема работала на частоте 240 кГц (0.24 МГц). Значение резистора Rosc должно быть:
Rosc = 25/fosc — 22 = 25/0.24 — 22 = 82 кОм
Идем дальше. Номинальный ток светодиодов — 3А, рабочее напряжение — 3.3В. Следовательно, на двух последовательно включенных светодиодах упадет 6.6В. Имея эти исходные данные, можем рассчитать индуктивность:
L ≥ (VIN — VLEDs)⋅VLEDs / (0.3⋅VIN⋅fosc⋅ILED) = (15-6.6)⋅6.6 / (0.3⋅15⋅240000⋅3) = 17 мкГн
Т.е. больше или равно 17 мкГн. Возьмем распространенную фабричную индуктивность на 47 мкГн.
Осталось рассчитать Rsense:
Rsense = 0.25 / (ILED + 0.15⋅ILED) = 0.25 / (3 + 0.15⋅3) = 0.072 Ом
В качестве мощного выходного MOSFET’а возьмем какой-нибудь подходящий по характеристикам, например, всем известный N-канальник 50N06 (60В, 50А, 120Вт).
И вот, собственно, какая схема у нас получилась:![]()
Не смотря на указанный в даташите минимум в 15 вольт, схема прекрасно запускается и от 12, так что ее можно использовать в качестве мощного автомобильного прожектора. На самом деле, приведенная схема — это реальная схема драйвера светодиодного прожектора 20 ватт YF-053CREE, которая была получена методом реверс-инжиниринга.
Рассмотренные нами микросхемы драйверов светодиодов PT4115, CL6808, CL6807, SN3350, AL9910, QX5241 и ZXLD1350 позволяют быстро собрать драйвер для мощных светодиодов своими руками и широко применяются в современных LED-светильниках и лампах.
В статье были использованы следующие радиодетали:
| Светодиоды | ||
|---|---|---|
| Cree XM-L T6 (10Вт, 3А) | 135 руб/шт. | |
| Cree XM-L2 T6 (10Вт, 3А, медь) | 360 руб/шт. | |
| Транзисторы | ||
| 40N06 | 11 руб/шт. | |
| IRF7413 | 14 руб/шт. | |
| IPD090N03L | 14 руб/шт. | |
| IRF7201 | 17 руб/шт. | |
| 50N06 | 12 руб/шт. | |
| Диоды Шоттки | ||
| STPS2H100A (2А, 100В) | 15 руб/шт. | |
| SS34 (3А, 40В) | 90 коп/шт. | |
| SS56 (5А, 60В) | 3.5 руб/шт. |
Как подключить LED-ленту
Подключить ЛЕД-ленту можно к розетке или любому источнику электрического тока. Существует несколько вариантов монтажа — ниже мы рассмотрим основные модели подключения.
Монтаж светодиодной ленты напрямую к блоку питания
Монтаж светодиодной ленты напрямую к блоку питания
Этот способ подключения подойдет в том случае, если на крае ленты имеются соединительные проводки. Если их нет, необходимо припаять их с помощью пайки. Непосредственный монтаж осуществляется следующим способом:
- Возьмите электрический кабель на 2 или 4 провода (в зависимости от модели ленты), зачистите края и вставьте их в разъемы на блоке питания, затяните клеммы с помощью отвертки. Провода в кабеле должны быть окрашены в различные цвета, чтобы не нарушить полярность проводки.
- При такой схеме монтажа мы не будем использовать диммер, поэтому рекомендуется установить выключатель в разрыв электрического кабеля. Техничесески Вы можете обойтись без выключателя, однако в таком случае для отключения освещения Вам придется постоянно выключать вилку из розетки, что неудобно.
- На некоторых старых блоках питания отсутствует вилка для подключения устройства к электрической сети (но есть соответветствующие разъемы). Если у Вас именно такой случай, то нужно также купить провод с вилкой и подсоединить его к соответстующим разъемам.
- Зачистите края проводов (от ленты и от блока питания). Соедините провода друг с другом в соответствии с полярностью, немного скрутите края, чтобы получить хороший контакт. Выполните изоляцию проводов с помощью обычной изоленты в несколько витков.
Подключение питания способом пайки припоем
Если на краях ленточного осветительного прибора отсутствуют соединительные проводки, то их необходимо подсоединить методом пайки. Для этого Вам понадобится небольшой кабель на 2 или 4 провода, а также паяльник шириной 2 миллиметра. Нагрейте паяльник, зачистите края проводов, а потом припаяйте провода к соответстующим контактам на ленте. По завершении паяки не забудьте выполнить лужение, чтобы улучшить качество соединения. После подключения проводков следует подключить систему к блоку питания согласно инструкции выше.
Подключение светодиодной ленточной подсветки потолка через диммер — пошагово
подключение светодиодной ленточной подсветки потолка через диммер
Чтобы управлять освещением, можете дополнительно поставить контроллер (диммер), который имеет вид небольшой коробочки (с пультом или без). Сборка ленточной осветительной системы осуществляется по аналогичной схеме, которая указана выше. Алгоритм монтажа будет отличаться только подключением диммера:
- Контроллер монтируется к цепи после того, как собрана основная схема (проводка от ленты соединена с блоком питания, к блоку питания подключена вилка).
- Монтаж контроллера осуществляется в разрыв кабеля, идущего от блока питания к диодной ленте. Блок питания во время работ должен быть обесточен.
- Диммеры могут иметь различный способов подключения, однако чаще всего у диммера по краям есть два провода — их нужно подключить в разрыв основного кабеля в соответствии с правилами полярности. Соединение осуществляется методом пайки (редко) либо с помощью изоленты (часто).
Подключение лент 12В
Ленточные конструкции с напряжением 12 вольт нужно обязательно подключить к блоку питания, поскольку напрямую подключить устройство к розетке не получится (оно просто сгорит). Сделать это можно различными методами — например, припаяйте к контактам ленты проводки, а потом подсоедините их в соответствующие разъемы на блоке питания. Блок питания можно будет вставить в розетку — так Вы получите полноценное освещение.
Подключение лент 24В
Ленты с напряжением 24 вольт подключаются по аналогичному алгоритму, описанному выше — через блок питания к розетке
Обратите внимание, что длина осветительной конструкции на 24 вольт может доходить до 10-15 метров. Поэтому блок питания должен обладать соответстующим уровнем мощности, который «покроет» все диоды
Например, на ленточной конструкции имеется 50 диодов, мощность которых составляет 1,5 Вт — в таком случае следует покупать блок мощностью не менее 75 Вт.
Подключение ленты 220В
Ленту на 220 вольт с интегрированным выпрямителем и вилкой можно подключить к любой электрической сети. Если Вы купили устройство без вилки и выпрямителя, их рекомендуется закупить и подключить отдельно. При сборке не забывайте о корректном соединении проводов, чтобы получить работоспособную конструкцию. Если не поставить выпрямитель, то осветительная система будет работать, но будет постоянно блымать с частотой 50 герц (таков уровень напряжения тока в электрической сети).
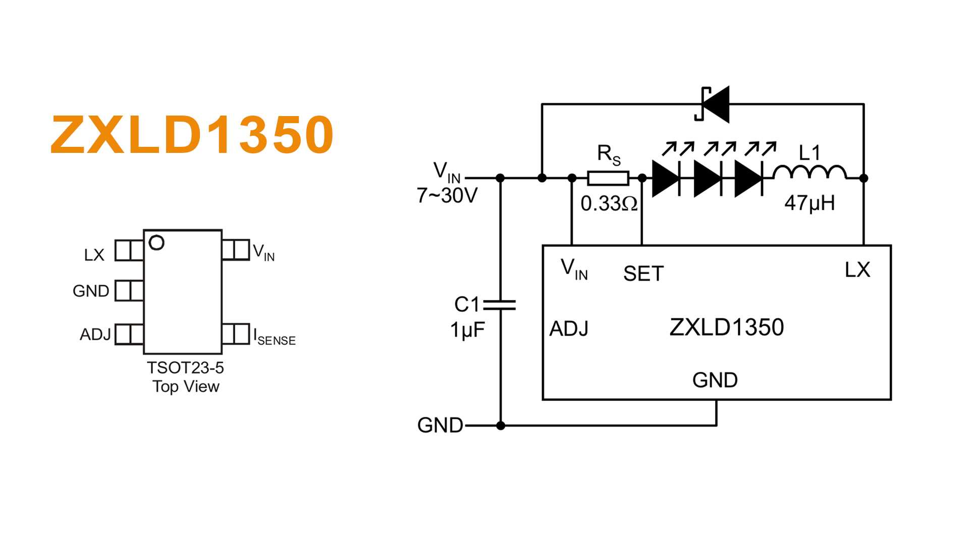
ZXLD1350
Не смотря на то, что эта микросхема является очередным клоном , некоторые отличия в технических характеристиках не допускают их прямую замену друг на друга.
Вот главные отличия:
- микросхема стартует уже при 4.8В, но на нормальный режим работы выходит только при напряжении питания от 7 до 30 Вольт (на полсекунды допускается подавать до 40В);
- максимальный ток нагрузки — 350 мА;
- сопротивление выходного ключа в открытом состоянии — 1.5 — 2 Ома;
- изменением потенциала на выводе ADJ от 0.3 до 2.5В можно менять выходной ток (яркость светодиода) в диапазоне от 25 до 200%. При напряжении 0.2В в течении, как минимум, 100 мкс, драйвер переходит в спящий режим с низким потреблением энергопотреблением (порядка 15-20 мкА);
- если регулировка осуществляется ШИМ-сигналом, то при частоте следования импульсов ниже 500 Гц, диапазон изменения яркости составляет 1-100%. Если же частота выше 10 кГц, то от 25% до 100%;
Максимальное напряжение, которое можно подавать на вход регулировки яркости (ADJ) составляет 6В. При этом в диапазоне от 2.5 до 6В драйвер выдает максимальный ток, который задан токоограничительным резистором. Сопротивление резистора рассчитывается точно так же, как во всех вышеперечисленных микросхемах:
R = 0.1 / ILED
Минимальное сопротивление резистора — 0.27 Ом.
Типовая схема включения ничем не отличается от своих собратьев:![]()
Без конденсатора С1 подавать питание не схему НЕЛЬЗЯ!!! В лучшем случае микросхема будет перегреваться и выдавать нестабильные характеристики. В худшем случае — мгновенно выйдет из строя.
Более подробные характеристики ZXLD1350 можно найти в даташите на эту микросхему.
Стоимость микросхемы неоправданно высокая (посмотреть), при том, что выходной ток довольно небольшой. В общем, сильно на любителя. Я б не связывался.
Общая характеристика источников питания

Начнем с того, что в случае со светотехникой оба устройства используются в качестве источников энергии. Каждое из них находится в цепи между бытовой электросетью в 220 В и электрическим прибором (в нашем случае осветительным). Далеко не все светильники можно подключить напрямую к бытовой электросети. Для светодиодных лент такое решение неприменимо в принципе. Так называемые ленты в 220 В не нуждаются в блоке питания или драйвере, но имеют в комплекте свое собственное особое устройство — диодный мост, о котором мы поговорим в одном из следующих материалов. Чтобы жизнь вашего источника света была долгой и яркой, ток для него должен иметь строго определенные параметры. Именно для его преобразования и применяют блоки питания и драйверы. Каждое из этих устройств имеет одинаковые параметры тока на входе, но различные на выходе.
Схема драйвера для светодиодов своими руками
Для изготовления обыкновенного драйвера для светодиода своими руками понадобится 2 транзистора и 2 резистора. Стабилизацию тока, протекающего через диод, производит мощный полевой n-канальный транзистор VT2. Резистор R2 устанавливает наибольший ток, поступающий на светодиод, выполняет функцию датчика тока для транзистора VT1 в цепи обратной связи.
Когда ток, проходящий через VT2, увеличивается, напряжение на R2 падает и транзистор VT1 открывается, снижая напряжение на затворе VT2. Токовое значение на диоде уменьшается и происходит стабилизация выходного тока. Запитать схему можно блоком питания 12в и 0,5 А.
Входное напряжение должно быть минимум на 1–2 В больше падения напряжения на диоде. Сопротивление R2 должно рассеивать мощность 1–2 Вт, в зависимости от нужного тока и питающего напряжения. Транзистор VT2 рассчитан на ток не менее 500 мА: IRFЯ48, IRFZ44N, IRF530. VT1 – маломощный биполярный npn транзистор: BC547, 2N3904, 2N2222, 2N5088 мощностью 0,125-0,25 Вт, сопротивлением 100 вОм. Монтаж можно произвести без платы, так как количество компонентов небольшое.






























